tình hình em nó là cứ mở nguồn lên nokia rồi từ tưtf trắng màn , em đã thay r47k , tháo camera , chạy lại nhưng vẫn not ok , anh em nào gặp qua xin chỉ giáo dùm ,em tk nhìu
tình hình em nó là cứ mở nguồn lên nokia rồi từ tưtf trắng màn , em đã thay r47k , tháo camera , chạy lại nhưng vẫn not ok , anh em nào gặp qua xin chỉ giáo dùm ,em tk nhìu
Vậy bạn đả thử test màn hình chưa vậy![]()
Hãy chọn một kết thúc buồn...
Thay vì chọn một nỗi buồn không bao giờ có kết thúc...
em cũng đã thử màn hình nhưng vẫn not ok
đưa vào hộp chesk cai coi sao
anh nào đã làm qua xin giúp dùm em
man hình tắt rồi bấm pim có giao động kg bạn
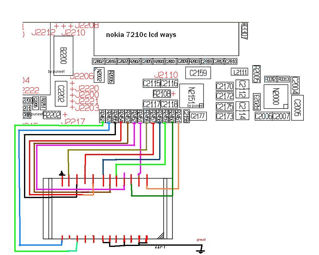
THỬ CÁI NÀY XEM CÓ MẤT ĐƯỜNG NÀO KO
![]()
tuantu_gsm (09-10-2012)
em bị 1 cây cũng y trang thế này dodduwwocngf như hình này của anh thì không đứt đường nào cả còn cách nào nữa đây\
Hiện có 1 người đang xem bài này . Bao gồm : 0 thành viên và 1 khách
